車載LNG專用壓力傳感器
KYB2003L壓力傳感器應用在車載LNG氣瓶智能液位測量系統,用于測量LNG罐內壓力值。
【產品介紹】:
車載LNG專用壓力變送器選用國外著名品牌高精度、高穩定性擴散硅壓力傳感器,通過高可靠性的后端放大處理電路,將被測介質的壓力轉換成標準電信號輸出。本系列產品采用了專用信號調理電路以及新的封裝技術,既保證了較高的精度,同時擴寬了工作溫度范圍,具有極高的性價比,特別適合于各種CNG、LNG罐等設備配套應用。
【系列用途】:
車載CNG、LNG氣瓶、貯箱、推進劑管路的壓力測量
【產品特點】:
◆良好的精度
◆使用溫區寬
◆高穩定性、高可靠性
◆外形精巧、結構堅固
◆可根據用戶要求定制配套
【應用概述】:
KYB2003L應用在車載LNG氣瓶智能液位測量系統,用于測量LNG罐內壓力值。
【產品參數】:
產品類型:擴散硅壓力變送器
測量介質:潔凈氣體或液體
量程范圍:0~4MPa
工作電壓:10~30V
輸出信號:4~20mA
綜合精度:±0.5%FS
過載壓力:6MPa
破壞壓力:8MPa
防護等級:IP65/IP67(防水插頭)
電氣連接:航空接頭、Hirschmann接頭、用戶可自定
【產品規格選型】:

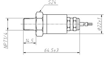
【產品尺寸圖】:

【產品凈重】:0.18kg
聯系電話
微信掃一掃
